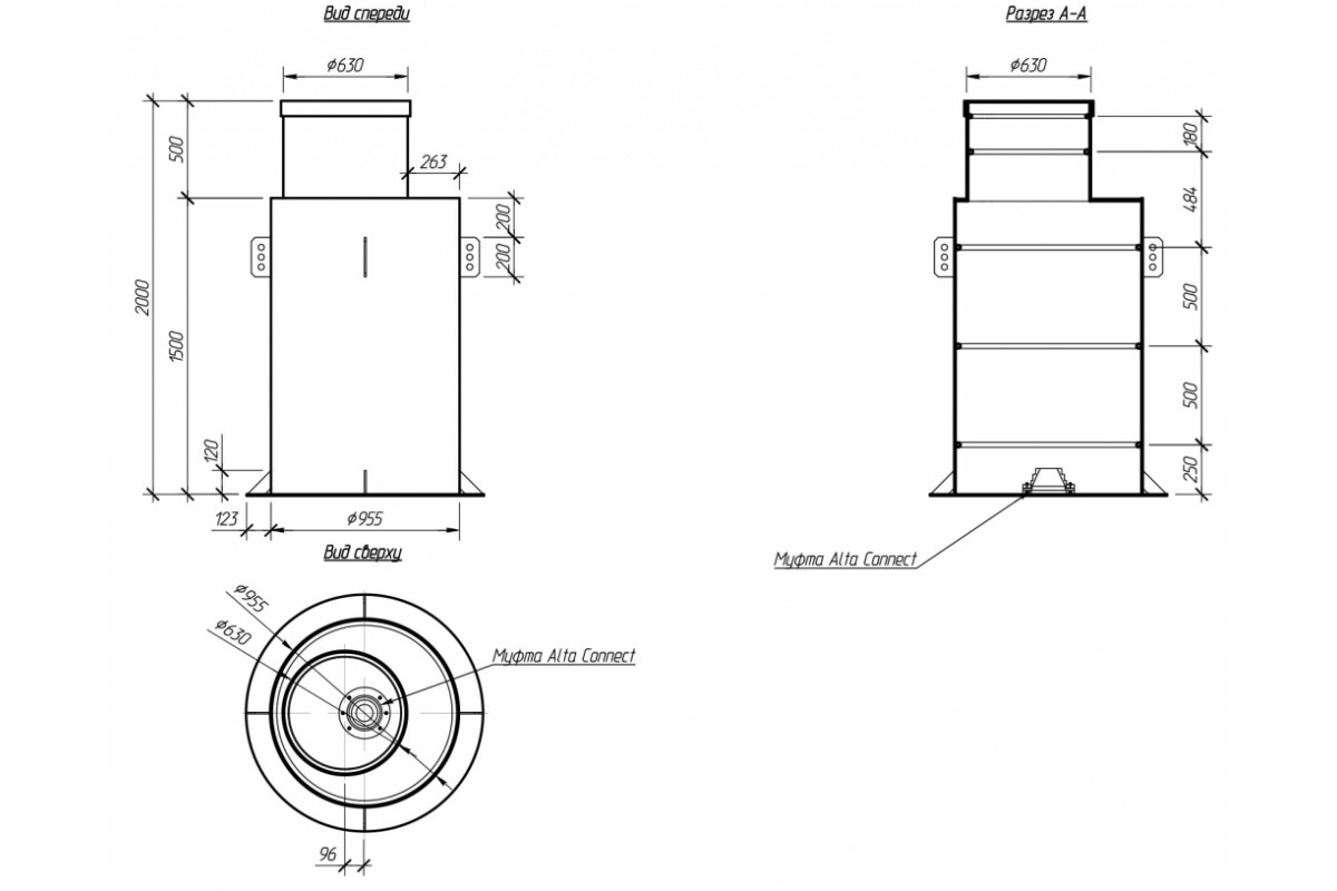
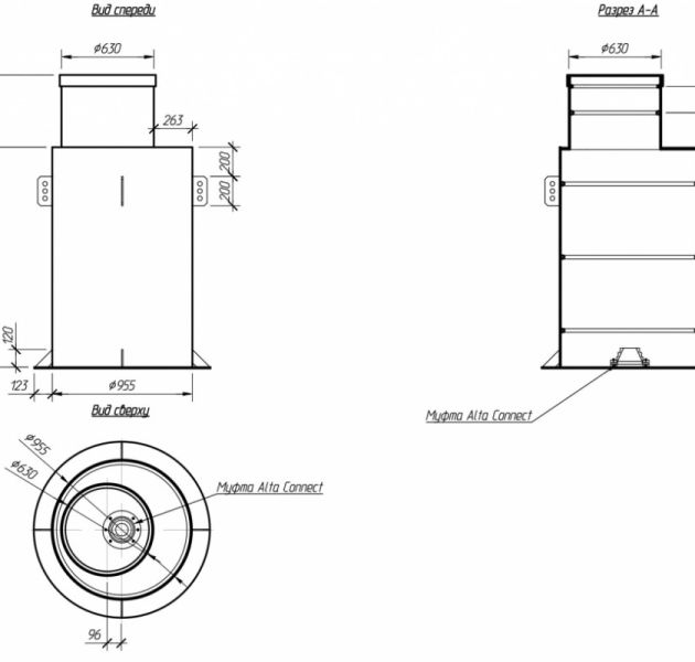
Кессон Alta Kesson B + со смещенной горловиной
Пластиковый кессон для обустройства системы водоснабжения
Пластиковый кессон используют для обустройства системы водоснабжения загородного дома, дачи, коттеджа. Он облегчает доступ к оборудованию водоснабжения, обеспечивающего подачу и распределение воды из скважины или водоснабжающего колодца. Пластиковый кессон препятствует проникновению нежелательных вибраций и шумов при работе наносного оборудования в жилые помещения. Изолирует устье скважины от возможного попадания в неё грунтовых или сточных вод, а также промерзания в зимний период.- Кессон Alta Kesson B + не подвержен коррозии и не требует дополнительного ухода во время всего срока эксплуатации – по сравнению с металлоконструкциями склонными к ржавлению без периодической обработки спецсредствами.
- Кессон Alta Kesson B + изготовлен из легкого пластика, поэтому, в отличие от железобетонного или стального, не требует монтажа строительной техникой.
- Пластиковый кессон Alta Kesson B + оснащен внутренними ребрами жесткости и не уступает по прочности кессонам из других материалов.
- Кессоны для скважины снабжены анкерными проушины и «монтажными юбками», предотвращающими всплытие кессонов при высоком уровне грунтовых вод.
- Крышки кессонов Alta Kesson B + могут быть снабжены замочными проушинами для навесных замков.
- Для удобства обслуживания кессоны Alta Kesson B + для скважины могут быть оснащены внутренней лестницей с раскладной надземной частью, облегчающей спуск.
- В кессон Alta Kesson B + может быть установлена муфта Alta Connect обеспечивающая свободное отклонение скважинной трубы на 45 градусов от оси и продольное смещение трубы в муфте без потери герметичности.
- Кессон Alta Kesson B + может быть укомплектован гермовводом для заведения электрокабеля.